CMR-B Super Cone Fender
The third generation product of cell fender with more reasonable structure with increased deflection, high energy absorption and longer service time.
Description :
- The third generation product of cell fender with more reasonable structure with increased deflection, high energy absorption and longer service time.
-
Better performance in angular compression which will not reduce below 10°loading.
-
Versatile specification meet numerous design requirements.
-
Versatile performance are available by adjusting compound formulation.
-
Front panel and face pad can be installed in the front to reduce the shear loading a lot.
-
Easy and fast for installation.

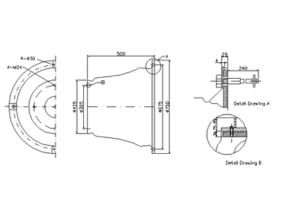
| Type | Main dimensions (mm) | |||||||||||
| H | h | ?1 | ?2 | ?3 | ?4 | n | D1 | Md | a | b | s | |
| CMR-B500 | 500 | 25 | 425 | 325 | 675 | 750 | 4 | 30 | M24 | 4 | 75~95 | 36 |
| CMR-B 600 | 600 | 27 | 510 | 390 | 810 | 900 | 6 | 30 | M24 | 5 | 90~110 | 40 |
| CMR-B 700 | 700 | 32 | 595 | 455 | 945 | 1050 | 6 | 38 | M30 | 6 | 105~125 | 40 |
| CMR-B 800 | 800 | 36 | 680 | 520 | 1080 | 1200 | 6 | 44 | M36 | 7 | 120~140 | 52 |
| CMR-B 900 | 900 | 41 | 765 | 585 | 1215 | 1350 | 6 | 44 | M36 | 8 | 135~155 | 55 |
| CMR-B 1000 | 1000 | 45 | 850 | 650 | 1350 | 1500 | 6 | 56 | M42 | 8 | 150~170 | 65 |
| CMR-B 1100 | 1100 | 50 | 935 | 715 | 1485 | 1650 | 6 | 50 | M42 | 8 | 165~185 | 65 |
| CMR-B 1150 | 1150 | 52 | 998 | 750 | 1550 | 1725 | 6 | 56 | M42 | 10 | 170~195 | 70 |
| CMR-B 1200 | 1200 | 54 | 1020 | 780 | 1620 | 1800 | 8 | 50 | M42 | 10 | 180~210 | 75 |
| CMR-B 1300 | 1300 | 59 | 1105 | 845 | 1755 | 1950 | 8 | 60 | M48 | 11 | 195~225 | 75 |
| CMR-B 1400 | 1400 | 66 | 1190 | 930 | 1890 | 2100 | 8 | 60 | M48 | 12 | 210~235 | 70~80 |
| CMR-B 1600 | 1600 | 72 | 1360 | 1060 | 2160 | 2400 | 8 | 70 | M48 | 14 | 280~270 | 70~80 |
| CMR-B 1800 | 1800 | 78 | 1530 | 1190 | 2430 | 2700 | 10 | 76 | M56 | 16 | 270~290 | 75~90 |
Specifications & Dimensions :


| Type | Rated Compression Deflection 70% | Max. Compression Deflection 72.5% | ||
| Reaction Force | Energy Absorption | Reaction Force | Energy Absorption | |
| Super high Reaction Force RS | 335 | 79 | 380 | 90 |
| High Reaction Force RH | 268 | 63 | 311 | 70 |
| Standard Reaction Force RO | 200 | 47 | 232 | 50 |
| Low Reaction Force RL | 165 | 37 | 193 | 41 |
NOTE :
- Fenders in deferent reaction force are available upon request.
2.Performance tolerance: ±10%
Main Accessories and Applications :
| NO. | Description | Applications | Material |
| 1 | Pre-built-in U ring | Holding chains | Q235Paint, Q235 Hot-galv. |
| 2 | Pre-built-in Bolt & Nut | Fasten fenders onto dock | Stainless steel, Q235 Hot-galv. |
| 3 | Chains(Including tensile chain, weight chain & shear chain ) | 1. Limit fenders deflection while fender local part under strain | Q235 Hot-galv. |
| 2. Support the front panel in avoid sagging | 15Mn or 20Mn Hot-galv. | ||
| 3. Prevent fenders system from shear deflection | Rubber | ||
| 4 | Front Panel | Reduce surface pressure in avoid of damage of the fenders or vessels | Q235Paint, |
| 5 | Face Pad | Reduce friction coefficient to protect hull | UHMW-PE |
| 6 | Steel Mount | Increase fender performance | Q235Paint, |
| 7 | Connection | Connect the fender & Front panel and Face Pad | Stainless steel, Q235 Hot-galv. |
| 8 | Buffer | Absorb ship impact energy to protect dock and vessels | Rubber?Q235 |
Read More :