Smoke and particulate matter monitoring for ships
Key Features
- Measure Opacity (smoke density) and Particulate Matter (PM) in one unit.
- Proven technology, hundreds of maritime installations.
- Marine Type Approved (Lloyds Register) tested to ensure suitable for maritime use.
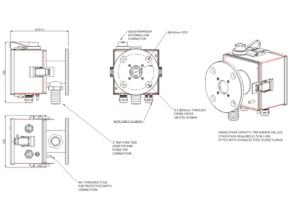
- Simple installation, supplied as a complete kit just requires a single power supply integrates to vessel alarm system.
Low maintenance requirements, just occasional cleaning of lenses.

Typical Applications :
- Smoke density monitoring of diesel engines and boilers whilst in port or when transiting close to shore allowing ship’s crew instant notification when smoke thresholds are exceeded.
- Charterer requirements and compliance with standards such as TMSA or environmental Class Notations.
- Maintenance indications of diesel engines.
- Optimisation of combustion in boilers.
| Path length | 0.5 – 5.0 metres |
| Measuring range | 0-100% |
| PM output | mg/m3 |
| Output Protocol | MODBUS RS485 |
| Maximum Stacks | 16 |
| Accuracy | +/- 2% |
| Resolution | 0.1 |
| Voltage | 230VAC or 24VDC |
| IP Rating | IP65 |
| Operating Temperature | 20oC – +55oC |
| Gas Temperature | 550oC Max |
| Material | Stainless Steel 316L |
| Weight | 2.5kg each |
| Type approval | Llyod Register |

Read more :