Speed Sensor For Ship Application
Non-contacting multi-channel speed sensor, Hall principle
FA54
- Robust and high quality housing: IP68 pressure-tight.
- Excellent vibration and shock resistance.
- High degree of EMC immunity for difficult electrical environment.
- Connection outlet straight or lateral; with protective tubing on request.
- Up to four output signals, on request available with one status signal for rotational direction detection, on request with two galvanically isolated output signals.
- Due to its design and its approvals especially suitable for shipbuilding industry.

Description
Speed sensors type series FA54 are compact and robust flange sensors with type approval from all common ship class societies. They are suitable for scanning ferromagnetic objects, such as toothed wheels, bolt heads, drillings/boreholes, gaps, grooves or impulse bands.
The different sensor variants allow measurements with up to two measuring channels and up to four output signals for measurement of frequencies from 0 to 20 kHz. Thus, they are suitable for standstill detection and for rotational direction detection by using phase shifted signals. Different sensor tube lengths and connection outlets as well as your tailor-made solution on request enable an adaptation to almost any application. Do not hesitate to contact our technical sales team (sales@noris-group.com) and ask for a quotation.
| Type | Measuring principle | Signal outputs | Signal form |
|---|---|---|---|
| FAH54 | Hall | One square wave signal | ![]() |
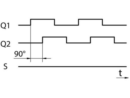
| FAHZ54 | Two square wave signals, Q2 to Q1 is 90° phase shifted |
![]() |
|
| FAHS54 | Hall | Two square wave signals, Q2 to Q1 is 90° phase shifted, one rotation direction signal |
![]() |
| FAHD54 | Hall | Two galvanically isolated square wave signals, Q2 to Q1 is 90° phase shifted |
![]() |
| FAHQ54 | Hall | Two + Two inverted square wave signals, Q1 to Q2 and Q1_N to Q2_N are 90° phase shifted |
![]() |
| FAHY54 | Hall | Two square wave signals, Q1_N inverted to Q1 |
![]() |





