Fast Water Buoy Type SL-B750-FW
The Sealite SL-B750 is a large 750mm dia. marker buoy designed for a variety of applications and is particularly suited to fast water currents up to 6 knots.
The unique, one piece float section has an internally integrated bow and keel which ensures the buoy remains stable during fast currents. The SL-B750 is rotationally-moulded from UV-stabilised, virgin polyethylene in a range of IALA recommended configurations and colours to ensure clear visibility, and may be fitted with a Sealite LED lantern for safe night navigation.

The SL-B750 has multiple mooring eyes and counterweight mooring points to facilitate correct operation over varying water depths and speeds up to 6 knots.

The Sealite Advantage
- Single piece float
- Complete unit – ready for immediate installation
- Unique design suitable for fast water currents
- High visibility red, green, white or yellow as per IALA recommendations
- 316-grade moulded-in tie bar provides outstanding lifting strength
- Excellent buoyancy & stability
- Suitable for up to 6 knots
Technical Specifications
| SL-B750 | |
| General Characteristics | |
| Available Colours | Red, Green, White, Yellow as per IALA Recommendations |
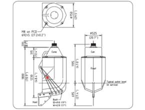
| Focal Plane Height (mm/inches) | 1195 / 147 |
| Total Float Volume (ltrs/US gallon) | 412 / 109 |
| Total Reserve Buoyancy (kgs/lbs) | 360 / 794 |
| Operational Buoyancy (kgs/lbs) | 24 / 53 |
| Maximum Mooring Load (kgs/lbs) | 24 / 53 |
| Draft, Maximum (mm/inches) | 695 / 271/2 |
| Freeboard, Minimum (mm/inches) | 790 / 311/8 |
| Safe Working Load, 1pt (kg/lbs) | 1000 / 2205 |
| Physical Characteristics | |
| Material | Rotationally-moulded UV-stabilised virgin polyethylene |
| Wall Thickness (mm/inches) | 6 / 1/4 |
| Ballast (kg/lbs) | 20 / 44 |
| Filling | Closed-cell polyurethane foam (float section) |
| Height (mm/inches) | 2005 / 787/8 |
| Width (mm/inches) | 750 / 291/2 |
| Mass (kg/lbs) | 64 / 141 |
| Product Life Expectancy | Up to 12 years ^ |
| Certifications | |
| IALA | Surface colours compliant to IALA E-108 |
| Quality Assurance | ISO9001:2015 |
| Intellectual Property | |
| Trademarks | SEALITE® is a registered trademark of Sealite Pty Ltd |
| Warranty * | 1 year |
| Lantern Options | Sealite SL-15, SL-60 or SL-70 lantern |
| Options Available | • Custom signage |
Read more :