CROSBY G-2130 BOLT TYPE ANCHOR SHACKLES
The Crosby G-2130 Bolt Type Anchor Shackles with thin head bolt – nut with a collar pin. meets the performance requirements of federal specification RR-C-271F Type IVA, Grade A, Class 3, except for those provisions required of the contractor.
- Capacities ranging from 330kg up to 150,000kg grade 6
- Working load limit and grade permanently shown on every single shackle
- Forged – quenched and tempered, with alloy pins
- Hot dip galvanised or self-coloured (85t, 120t, and 150t shackles are all hot dip galvanised bows and the bolts are Dimecoated and painted red)
- Capacities ranging from 330kg up to 55,000kg are fatigue rated
- Shackles that are 25,000kg or over are RFID-equipped
- Approved for use at -40?C up to 204 ?C
- Meets and exceeds all requirements of ASME B30.26
- Shackles that are 85t or larger are individually proof tested o 2.0 times the working load limit
- Type approval and certification in accordance with ABS 2011 Steel Vessel Rules 1-1-17.7 and ABS Guide for certification of cranes
- 3.1 Certification as standard available for charpy and statistical proof test for pg 79 up to 25,000kg to DNV2.7-1 and EN13889
- All 2130 shackles can meet charpy requirements of 42 joules (31ft-lbs) Avg at -20?C upon special request
- Look for the Red Pin… The mark of genuine Crosby quality

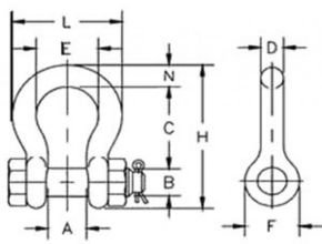
SPECIFICATION
| Nominal Size (inch) | Working Load Limit (kg) | SKU | Weight (kg) | A (mm) | B (mm) | C (mm) | D (mm) | E (mm) | F (mm) | H (mm) | L (mm) | N (mm) | Tolerance +/- (C) (mm) | Tolerance +/- (A) (mm) |
| 3/16 | 330 | 1019464 | 0.03 | 9.65 | 6.35 | 22.4 | 4.85 | 15.2 | 14.2 | 37.3 | 24.9 | 4.85 | 1.50 | 1.50 |
| 1/4 | 500 | 1019466 | 0.05 | 11.9 | 7.85 | 28.7 | 6.35 | 19.8 | 15.5 | 46.7 | 32.5 | 6.35 | 1.50 | 1.50 |
| 5/16 | 750 | 1019468 | 0.1 | 13.5 | 9.65 | 31 | 7.85 | 21.3 | 19.1 | 53 | 37.3 | 7.85 | 1.50 | 1.50 |
| 3/8 | 1000 | 1019470 | 0.15 | 16.8 | 11.2 | 36.6 | 9.65 | 26.2 | 23.1 | 63 | 45.2 | 9.65 | 3.30 | 1.50 |
| 7/16 | 1500 | 1019471 | 0.22 | 19.1 | 12.7 | 42.9 | 11.2 | 29.5 | 26.9 | 74 | 51.5 | 11.2 | 3.30 | 1.50 |
| 1/2 | 2000 | 1019472 | 0.36 | 20.6 | 16 | 47.8 | 12.7 | 33.3 | 30.2 | 83.5 | 58.5 | 12.7 | 3.30 | 1.50 |
| 5/8 | 3250 | 1019490 | 0.62 | 26.9 | 19.1 | 60.5 | 16 | 42.9 | 38.1 | 106 | 74.5 | 17.5 | 3.30 | 1.50 |
| 3/4 | 4750 | 1019515 | 1.23 | 31.8 | 22.4 | 71.5 | 19.1 | 51 | 46 | 126 | 89 | 20.6 | 6.35 | 1.50 |
| 7/8 | 6500 | 1019533 | 1.79 | 36.6 | 25.4 | 84 | 22.4 | 58 | 53 | 148 | 102 | 24.6 | 6.35 | 1.50 |
| 1 | 8500 | 1019551 | 2.28 | 42.9 | 28.7 | 95.5 | 25.4 | 68.5 | 60.5 | 167 | 119 | 26.9 | 6.35 | 1.50 |
| 1-1/8 | 9500 | 1019579 | 3.75 | 46 | 31.8 | 108 | 28.7 | 74 | 68.5 | 190 | 131 | 31.8 | 6.35 | 1.50 |
| 1-1/4 | 12,000 | 1019597 | 5.31 | 51.5 | 35.1 | 119 | 31.8 | 82.5 | 76 | 210 | 146 | 35.1 | 6.35 | 1.50 |
| 1-3/8 | 13,500 | 1019613 | 7.18 | 57 | 38.1 | 133 | 35.1 | 92 | 84 | 233 | 162 | 38.1 | 6.35 | 3.30 |
| 1-1/2 | 17,000 | 1019631 | 8.62 | 60.5 | 41.4 | 146 | 38.1 | 98.5 | 92 | 254 | 175 | 41.1 | 6.35 | 3.30 |
| 1-3/4 | 25,000 | 1019659 | 15.4 | 73 | 51 | 178 | 44.5 | 127 | 106 | 313 | 225 | 57 | 6.35 | 3.30 |
| 2 | 35,000 | 1019677 | 23.7 | 82.5 | 57 | 197 | 51 | 146 | 122 | 348 | 253 | 61 | 6.35 | 6.35 |
| 2-1/2 | 55,000 | 1019695 | 44.6 | 105 | 70 | 267 | 66.5 | 184 | 145 | 453 | 327 | 79.5 | 6.35 | 6.35 |
| 3 | 85,000 | 1019711 | 70 | 127 | 82.5 | 330 | 76 | 200 | 165 | 546 | 365 | 92 | 6.35 | 6.35 |
| 3-1/2 | 120,000 | 1019739 | 120 | 133 | 95.5 | 372 | 92 | 229 | 203 | 626 | 419 | 105 | 6.35 | 6.35 |
| 4 | 150,000 | 1019757 | 153 | 140 | 108 | 368 | 104 | 254 | 229 | 653 | 468 | 116 | 6.35 | 6.35 |
Read More :