Teknologi pengolahan air balast di kapal
Sistem Ballast adalah salah satu sistem pelayanan dikapal yang mengangkut dan mengisi air ballast. Sistem pompa ballast ditujukan untuk menyesuaikan tingkat kemiringan dan draft kapal, sebagai akibat dari perubahan muatan kapal sehingga stabilitas kapal dapat dipertahankan. Pipa ballast dipasang di tangki ceruk depan dan tangki ceruk belakang (after and fore peak tank), double bottom tank, deep tank dan tangki samping (side tank). Ballast yang ditempatkan di tangki ceruk depan dan belakang ini untuk melayani kondisi trim kapal yang dikehendaki. Double bottom ballast tank dan deep tank diisi ballast untuk memperoleh sarat air yang layak, tangki ballast samping untuk memperoleh penyesuaian sarat air dalam daftar.
Tangki ballast diisi dan dikosongkan dengan saluran pipa yang sama, jika stop valve dipasang pada system ini. Jumlah berat ballast yang dibutuhkan untuk kapal rata-rata 10% sampai 20% dari displacement kapal. Keperluan system ballast dari kapal muatan kering (dry cargo ship) adalah sama dengan system pipa bilga. Sistem pipa ballast harus dapat / bisa memenuhi sarat untuk menyediakan pengisian air ballast dari dry cargo tank atau ruangan yang berdampingan. Hubungan antara saluran pipa bilga dan saluran pipa ballast harus dengan katup tolak balik (non return valve).
Mengingat hebatnya pencemaran lingkungan yang diakibatkan oleh air balas, maka Konvensi Internasional untuk Kontrol dan Managemen Air Balas yang diadakan pada tahun 2004, mewajibkan semua kapal yang menggunakan air balas untuk menerapkan Standard D-2 atau melengkapi dengan pengolahan air balas (water treatment) pada tahun 2016. Teknologi pada pengolahan air balas yang disyaratkan oleh IMO harus bebas bahan aditif, bahan kimia dan racun.
Salah satu teknologi terkini yang digunakan dalam pengolahan air balas adalah menggunakan AOT (Advanced Oxidation Technology). Teknologi AOT ini menggunakan Titanium Dioxide Catalyst yang akan menghasilkan radikal ketika disinari. Radikal yang bertahan hidup hanya beberapa mili detik ini akan berfungsi sebagai pembunuh membran sel dari mikroorganisme. Bahwa ketika pengisian tangki balas (ballasting), air dari laut dilewatkan filter 50 mikro meter untuk menyaring partikel-partikel besar untuk menghindari sedimentasi dan mikroorganisme yang tidak diinginkan. Kemudian air dialirkan melalui Wallenius AOT yang memproduksi radikal yang berfungsi membunuh mikroorganisme yang masih bisa lolos dari filter sebelumnya. Ketika membuang air balas ke laut (deballasting), air dari tangki balas dialirkan melalui Wallenius AOT untuk yang kedua kalinya, sehingga menetralkan air balas dari mikroorganisme yang berbahaya.
Regulasi Sistem Air Balast.
Regulasi air balas yang diundangkan oleh IMO (International Maritime Organisation) bertujuan untuk meminimalkan resiko masuknya spesies baru ke daerah perairan lain. Standard D-1 (Ballast Water Exchange) yang masih berlaku sampai saat ini dilaksanakan dengan membilas air balas sebanyak tiga kali di laut yang berjarak lebih dari 200 nautical mile dari pantai dengan kedalaman lebih dari 200 meter. Metode ini sangat efektif sebab organisma dari perairan pantai sepertinya tidak bisa survive di lautan lepas atau sebaliknya, organisma dari lautan lepas tidak akan bisa bertahan di perairan pantai. Tetapi metoda ini mengandung beberapa kelemahan, yaitu (1) sedimen dan residu dari dasar tanki balas sangat sulit untuk dihilangkan secara keseluruhan, (2) organisma yang menempel pada sisi-sisi tangki balas atau penyangga struktur kapal dalam tangki balas tidak bisa dikeluarkan, dan (3) tidak bisa melakukan pembilasan jika badai atau ombak besar terjadi selama dalam pelayaran.
Sehingga organisma yang berada di dalam tangki balas mungkin terikut dibilas pada saat kapal mendekati pelabuhan. Standar yang lain adalah Standard D-2 (ballast water treatment). Standar ini mensyaratkan adanya treatment bagi air balas yang ditemukan adanya kandungan lebih dari 10 mikroorganisme per meter kubik yang berukuran lebih dari atau sama dengan 50 mikron. Dengan adanya pengolahan (water treatment) ini maka tidak akan ada lagi mikroorganisma yang lolos ke lingkungan baru, sehingga kerusakan lingkungan dapat dicegah.
Teknologi pengolahan air ballast
Mungkin sesuatu yang tidak kita sadari bahwa dibalik melimpahnya resources dari lautan kita yang begitu luas ternyata mengandung suatu ancaman pencemaran? Betapa tidak, sebagai negara kepulauan terbesar di dunia yang melintang pada 6°LU – 11°08’LS dan membujur di 97°’ – 141°45’BT tentunya perairan Indonesia tak luput dari lalu lalang transportasi laut yang begitu padat.
Banyaknya kapal yang melalui perairan tersebut mengandung konsekuensi logis, yaitu adanya potensi pencemaran baik di pelabuhan, laut, maupun udara.
Sebagai contoh, tumpahan minyak dari kapal tanker, tumpahan muatan dari kapal pembawa bahan kimia (chemical tanker), pelepasan SO2, NO2, dan CO2 ke atmosper dari gas buang mesin kapal, dan penyebaran biota laut yang invasif (invasive marine species) dari tanki balas. Bahan pencemar (polutan) tersebut secara akumulatif akan merusak ekosistem alam semesta.
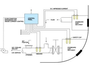
Seperti terlihat pada Gambar 1, bahwa ketika kapal-kapal barang seperti kapal kontainer atau tanker membongkar muatan, air laut dipompa ke dalam kompartemen di lambung kapal, sedang ketika mengangkut muatan, air laut di lambung kapal tadi dibuang ke laut. Air laut yang dipompakan ke lambung atau dibuang ke laut tadi berfungsi sebagai alat untuk menstabilkan dan menyeimbangkan kapal.


Gambar 2 mengilustrasikan lebih jelas tentang bagaimana pertukaran air balas terjadi.

Sebuah kapal dari Lautan India berlayar melalui Terusan Suez, membongkar muatan di Mediterania sehingga kapal tersebut perlu mengisi tanki balas sebelum mengarungi Lautan Atlantic.
Pertukaran air balas (ballast water exchange) terjadi di Lautan Atlantik sehubungan dengan akan masuk ke kawasan Great Lakes. Sehubungan dengan kapal mengangkut muatan terigu/gandum, maka air balas dibuang ke laut. Dari aktifitas yang digambarkan di atas, di seluruh dunia ada kurang lebih 10 milyar ton meter kubik air balas yang ditransfer kapal setiap tahunnya.
Permasalahannya, air tersebut mengandung ribuan spesies hewan laut maupun tanaman laut yang menimbulkan masalah bagi lingkungan laut, kesehatan manusia, serta mengancam ekonomi kelautan yang bergantung pada ekosistim laut yang sehat.
Akibat lain dari datangnya spesies asing kedalam lingkungan baru, air balas yang dibuang ke laut dapat menyebarkan penyakit menular dan penyakit yang mematikan, dan racun yang secara potensial dapat menyebabkan masalah kesehatan bagi manusia dan kehidupan biota laut. air balas ke lingkungan perairan pantai berpotensi menyebabkan keracunan bagi biota laut dan mikroorganisme. Hal ini menyebabkan berbagai masalah, seperti perubahan pola pertumbuhan, kerusakan siklus hormonal, kecacatan dalam kelahiran, penurunan sistem kekebalan, dan menyebabkan kanker, tumor, dan kelainan genetik atau bahkan kematian.
Spesies asing tersebut juga bisa merangsang pertumbuhan biota laut dan sebagai sumber makanan. Seafood menjadi terkontaminasi dan tidak sehat untuk dikonsumsi manusia. Tidak mengherankan, penyebaran penyakit Cholera adalah penyakit yang disebabkan polusi laut dari pengoperasian kapal.
Penelitian terakhir para ahli menyatakan bahwa bakteri penyebab Cholera, Vibrio Cholerae, dapat menyebar melalui organisme laut yang hidup di air balas. Seafood sebangsa kerang-kerangan dan air minum juga terkontaminasi ketika kapal membuang air balasnya.
Read more :