Energi Untuk Beban Penerangan
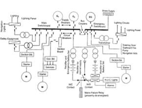
Energi untuk beban penerangan dan beban daya sistem kelistrikan suatu kapal biasanya disuplai oleh 2 (dua) atau lebih generator. Selain itu juga dapat disuplai dari emergency generator atau dari battery (aki). Daya listrik keluaran dari generator ini biasanya semuanya akan dipusatkan menuju ke satu Main Switch Board (MSB).
Biasanya, emergency switchboard dan sistem emergency distribution dayanya terhubung dengan bus tie dari switchboard di kapal. Jika sistem pelayanan daya di kapal mengalami kegagalan/kerusakan, sistem emergency distribution akan secara otomatis berpindah dari pelayanan normal ke pelayanan Emergency Generator. Ada banyak disain yang berbeda untuk distribusi daya pada instalasi beban listrik di kapal tergantung type kapalnya.
Daya listrik atau arus listrik keluaran dari MSB dibagi dalam beban-beban yang terdiri dari 3 kelompok besar :
- Beban penerangan; semua beban pada kelompok ini mempunyai tegangan 220 V satu phase dengan frekuensi 50 Hz. Kebanyakan beban ini berupa penerangan pada gang-gang, ruangan-ruangan tertutup, ruangan terbuka dan socket keluaran untuk peralatan untuk peralatan-peralatan power yang relatif rendah.
- Beban daya; semua beban pada kelompok ini mempunyai tegangan 220 V/380 V tiga phase dengan frekuensi 50 Hz. Semua kebutuhan penerangan kapal disuplai dengan beberapa feeder dari sistem distribusi dari switchboard melalui panel distribusi penerangan. Secara umum hal ini bersifat ekonomis dalam operasionalnya sampai batas beban yang disuplai oleh tiap feeder penerangan kurang dari 100 Ampere sehingga feeder mungkin disuplai dari sirkuit breaker 100 ampere. Paling kurang 2 feeder disediakan untuk melayani keperluan penerangan pada setiap ruang mesin. Suatu feeder yang terpisah disediakan untuk penerangan pada ruang muat. Satu feeder biasanya tersedia untuk tiap cargo hold yang dapat dimatikan pada switchboard ketika kapal sedang berlayar. Sehingga mencegah kemungkinan bahaya kebakaran akibat listrik pada ruangan tersebut. Suatu feeder yang terpisah dari yang lain juga diperlukan untuk menyuplai semua kebutuhan daya untuk penerangan pada saat operasional dan ruangan yang tak tertutup.

Untuk feeder penerangan, ukuran kabel didasarkan pada 100 % dari total daya terhubung ditambah rata-rata beban aktif sirkuit untuk tiap bagian switch atau sirkuit breaker (stop kontak) pada panel pada saat dialiri atau disuplai.
Prinsip kerja generator
Generator adalah suatu sistem yang menghasilkan tenaga listrik dengan masukan tenaga mekanik. Jadi disini generator berfungsi untuk mengubah tenaga mekanik menjadi tenaga listrik. Prinsip kerja generator adalah bilamana rotor diputar maka belitan kawatnya akan memotong gaya-gaya magnet pada kutub magnet, sehingga terjadi perbedaan tegangan, dengan dasar inilah timbullah arus listrik, arus melalui kabel/kawat yang ke dua ujungnya dihubungkan dengan cincin geser.
Pada cincin-cincin tersebut menggeser sikat-sikat, sebagai terminal penghubung keluar. generator kapal merupakan alat bantu kapal yang berguna untuk memenuhi kebutuhan listrik diatas kapal. Dalam penentuan kapasitas generator kapal yang akan digunakan untuk melayani kebutuhan listrik diatas kapal maka analisa beban dibuat untuk menentukan jumlah daya yang dibutuhkan dan variasi pemakaian untuk kondisi operasional seperti manuver, berlayar, berlabuh atau bersandar serta beberapa kondisi lainnya. Hal ini dimaksudkan untuk mengetahui daya minimum dan maksimum yang dibutuhkan. Dalam merencanakan sistem kelistrikan kapal perlu diperhatikan kapasitas dari generator dan peralatan listrik lainnya, besarnya kebutuhan maksimum dan minimum dari peralatannya. Kebutuhan maksimum merupakan kebutuhan daya terbesar yang menentukan kapasitas generator kapal. Dan untuk kebutuhan minimum digunakan sebagai acuan untuk menentukan konfigurasi dari electric plan yang sesuai serta untuk menentukan kapan generator kapal dioperasikan.
Daya cadangan harus dimasukkan perhitungan untuk menutup kebutuhan daya listrik kapal pada puncak beben yang terjadi pada periode yang singkat, misalnya bila digunakan untuk mengasut motor motor besar. Jika dilihat secara regulasi BKI mensyaratkan untuk daya keluar dari generator kapal sekurang-kurangnya diperlukan untuk pelayanan dilaut harus 15% lebih tinggi daripada kebutuhan daya listrik kapal yang ditetapkan dalam balans daya. Selain itu juga harus diperhatikan faktor pertumbuhan beban untuk masa akan datang. Untuk menentukan kapasitas generator di kapal dipergunakan suatu tabel balans daya yang mana seluruh peralatan listrik yang ada kapasitanya atau dayanya tertera dalam tabel tersebut. Sehingga dengan tabel balans daya tersebut dapat diketahui daya listrik yang diperlukan untuk masing – masing kondisi operasional kapal. Dalam penentuan electric balans BKI Vol. IV (Bab I, D.I) mengisyaratkan bahwa :
- Seluruh perlengkapan pemakaian daya yang secara tetap diperlukan untuk memelihara pelayanan normal harus diperhitungkan dengan daya kerja penuh. Beban terhubung dari seluruh perlengkapan cadangan harus dinyatakan.
- Dalam hal perlengkapan pemakaian daya nyata yang hanya bekerja bila suatu perlengkapan serupa rusak, kebutuhan dayanya tidak perlu dimasukkan dalam perhitungan.
- Daya masuk total harus ditentukan, dari seluruh pemakaian daya yang hanya untuk sementara dimasukkan, dikalikan dengan suatu faktor kesamaan waktu bersama (common simultancity factor) dan ditambahkan kepada daya masuk total dari seluruh perlengkapan pemakaian daya yang terhubung tetap.
- Daya masuk total sebagaimana telah ditentukan sesuai 1 dan 3 Maupun daya yangdiperlukan untuk instalasi pendingin yang mungkin ada, harus dipakai sebagaidasar dalam pemberian ukuran instalasi generator kapal.
1. Beban kerja (load factor) generator kapal
Load faktor peralatan kapal didefinisikan sebagai perbandingan antara waktu pemakaian peralatan pada suatu kondisi dengan total waktu untuk suatu kondisi dan nilai load faktor dinyatakan dalam persentase. Untuk peralatan yang jarang dipergunakan diatas kapal dianggap mempunyai beban nol. Begitu juga untuk peralatan yang bisa dikatakan hampir tidak pernah dipergunakan nilai load faktornya juga dianggap nol seperti, fire pump, anchor windlass, capstan dan boat winches.
2. Faktor kesamarataan (diversity factor) generator kapal
Peralatan listrik diatas kapal memiliki karakter pembebanan yang spesifik dimana peralatan bekerja tidak pada waktu pemakaian yang teratur dan secara bersamaan. Adapun jenis pembebanan dalam operasional peralatan listrik diatas kapal dibagi menjadi :
a. Beban kontinyu (continous load) generator kapal ini merupakan peralatan yang dalam operasionalnya bekerja secara terus menerus pada kondisi pelayaran normal seperti, lampu-lampu navigasi, pompa bantu CPP, dll.
b. Beban generator kapal terputus – putus (intermitten load) peralatan yang dalam operasionalnya tidak bekerja secara kontinyu dalam pelayaran normal, melainkan berkerja secara periodik. Misalnya, pompa transfer bahan bakar kapal, pompa air tawar, dll. Faktor kesamarataan ini didefinisikan sebagai perbandingan antara jumlah dari kebutuhan daya intermitten yang beroperasi selama periode waktu tertentu dengan jumlah dari total kebutuhan daya listrik kapal . Dalam BKI Vol IV, Bab I,D.1.c, ditetapkan faktor kesamarataan dengan mempertimbangkan beban tertinggi yang diharapkan terjadi pada waktu yang sama. Jika penentuan tepat tidaklah mungkin, faktor kesamaan waktunya digunakan tidak boleh lebih kecil dari 0.5.
3. Perhitungan Kapasitas Generator kapal
Dalam penentuan kapasitas generator yang akan digunakan untuk melayani kebutuhan listrik diatas kapal maka analisa beban dibuat untuk menentukan jumlah daya yang dibutuhkan dan variasi pemakaian untuk kondisi operasional seperti manuver berlayar, berlabuh atau bersandar serta beberapa kondisi lainnya. Hal ini dimaksudkan untuk mengetahui daya minimum dan maksimum yang dibutuhkan. Metode dalam perhitungan kebutuhan daya di kapal menggunakan beberapa hal yang harus diperhatikan seperti :
a. Kondisi kapal umumnya terdiri dari sandar atau berlabuh, manuver, berlayar, bongkar muat dan Emergency. Perhitungan kapasitas generator dengan melihat kondisi kapal dapat dilakukan dengan beberapa metode seperti :
- Dua Kondisi; yaitu kondisi berlayar dan berlabuh,
- Tiga kondisi; yaitu kondisi, berlayar, manuver dan di pelabuhan,
- Empat kondisi; yaitu kondisi berlayar, meninggalkan pelabuhan, bongkar muat dan dipelabuhan,
- Delapan kondisi; yaitu kondisi berlayar, meninggalkan pelabuhan, bongkar muat dan di pelabuhan yang semuanya dibagi lagi dalam kondisi siang dan malam.
b. Data peralatan kapal, data ini dipergunakan untuk mengetahui jumlah daya atau beban yang diperlukan dan jumlah unit yang tersedia diatas kapal. Data peralatan ini berdasarkan perhitungan dan telah diverifikasi dengan data yang ada dipasaran.
c. Penggolongan peralatan kapal digolongkan berdasarkan
- Kondisi kapal (Poin a).
- Letak atau fungsi (Hull part, Machinery Part dan Electrical part).
- Tipe beban (Beban kontinyu atau beban Intermitten). Kemudian semua data peralatan dengan memperhatikan beberapa hal diatas dimasukkan kedalam tabel balans daya generator kapal.
Read More :